全国统一服务热线:0513-83660811
您所处的位置:网站首页 > 产品展示 > 稀油润滑部件
LQ系列列管式冷却器
一、使用条件
与GLLQ型列管式冷却器相似,产品适用于冶金、矿山、轻工、电力、化工等工业部门的液压与润滑装置,将热工作油冷却到要求的温度;冷却器的设计最高温度为100℃~120℃,工作压力≤1.6MPa,传热系数为348~407w/m2.k,(若采用翅片管换热,则传热系数为523~580W/m2·k,但允许介质粘度为10~50cSt)。下面列出的LQ型冷却器则规定介质粘度为10~326cSt,主要技术参数如下表:
二、型号含义
三、技术参数
型号
2LQFW\2LQFL
2LQF1W
2LQGW
换热面积m2
0.5~16
19~290
0.22~11.45
传热系数w/m2.k
348~407
使用温度℃
≤100
≤120
工作介质压力MPa
≤1.6
≤1.0
≤1.6
冷却介质压力MPa
≤0.8
≤0.5
≤1.0
油侧压力降MPa
≤0.1
介质粘度cSt
10~326
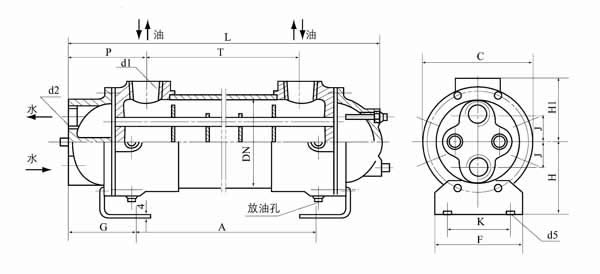
四、外形结构及尺寸
2LQFW 型冷却器外形尺寸图
冷却面积0.5~2.5m2时进出水口型式;
3~16m2时为上图
2LQFW 型冷却器外形尺寸
型号
A0.5F
A0.65F
A0.8F
A1.0F
A1.2F
A1.46F
A1.7F
A2.1F
A2.5F
A3.0F
A3.6F
A4.3F
A5.0F
A6.0F
A7.2F
A8.5F
A10F
A12F
A14F
A16F
换热面积m2
0.5
0.65
0.8
1.0
1.2
1.46
1.7
2.1
2.5
3.0
3.6
4.3
5.0
6.0
7.2
8.5
10
12
14
16



A
K
h
E
F
d5
345
90
5
40
140
11
470
90
5
40
140
11
595
90
5
40
140
11
440
104
5
45
160
11
565
104
5
45
160
14
690
104
5
45
160
14
460
120
5
50
180
14
610
120
5
50
180
14
760
120
5
50
180
14
540
140
5
55
210
14
665
140
5
55
210
14
815
140
5
55
210
14
540
170
5
60
250
14
690
170
5
60
250
14
865
170
5
60
250
14
575
230
6
65
320
18
700
230
6
65
320
18
875
230
6
65
320
18
875
230
5
65
320
18
875
230
5
65
320
18



DN
H
J
H1
114
115
42
95
114
115
42
95
114
115
42
95
150
140
47
115
150
140
47
115
150
140
47
115
186
165
52
140
186
165
52
140
186
165
52
140
219
200
85
200
219
200
85
200
219
200
85
200
245
240
95
240
245
240
95
240
245
240
95
240
325
280
105
280
325
280
105
280
325
280
105
280
325
280
105
280
325
280
105
280
L
G
P
T
C
545
100
93
357
186
670
100
96
482
186
790
100
93
607
186
680
115
105
460
220
805
115
105
585
220
930
115
105
710
220
740
140
120
500
270
890
140
120
650
270
1040
140
120
800
270
870
175
170
565
308
995
175
170
690
308
1145
175
170
840
308
920
205
190
570
340
1070
205
190
720
340
1245
205
190
895
340
1000
220
210
590
406
1125
220
210
715
406
1300
220
210
890
406
1300
220
210
890
406
1547
220
210
890
406
法兰尺寸
椭圆法兰
圆形法兰
法兰连接
d1
D1
B1
D3
d3
25
90
64
65
11
25
90
64
65
11
25
90
64
65
11
32
100
72
75
11
32
100
72
75
11
32
100
72
75
11
40
118
85
90
14
40
118
85
90
14
40
118
85
90
14
50
160
/
125
18
50
160
/
125
18
50
160
/
125
18
65
180
/
145
18
65
180
/
145
18
65
180
/
145
18
80
195
/
160
8×Φ18
80
195
/
160
8×Φ18
80
195
/
160
8×Φ18
80
195
/
160
8×Φ18
80
195
/
160
8×Φ18
d2
D2
B2
D4
d4
20
80
45
55
11
20
80
45
55
11
20
80
45
55
11
25
90
64
65
11
25
90
64
65
11
25
90
64
65
11
32
100
72
75
11
32
100
72
75
11
32
100
72
75
11
40
145
/
110
18
40
145
/
110
18
40
145
/
110
18
50
160
/
125
18
50
160
/
125
18
50
160
/
125
18
65
180
/
145
18
65
180
/
145
18
65
180
/
145
18
65
180
/
145
18
65
180
/
145
18
重量
kg
30
33
36
47
51
54
60
70
76
110
119
130
145
161
176
215
231
250
260
270
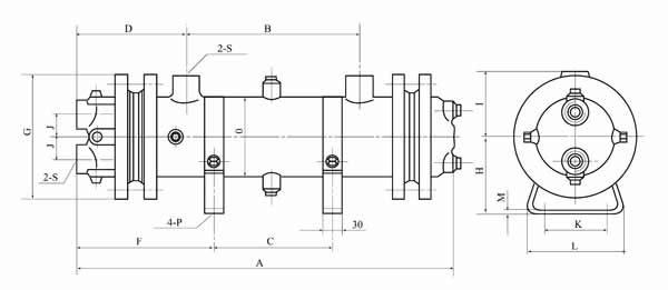
2LQFL型立式冷却器外形图及尺寸
型号
A0.5F
A0.65F
A0.8F
A1.0F
A1.2F
A1.46F
A1.7F
A2.1F
A2.5F
A3.0F
A3.6F
A4.3F
A5.0F
A6.0F
A7.2F
A8.5F
A10F
A12F
A14F
A16F
换热面积m2
0.5
0.65
0.8
1.0
1.2
1.46
1.7
2.1
2.5
3.0
3.6
4.3
5.0
6.0
7.2
8.5
10
12
14
16



D5

K
h
G
d5

186
164
16
75
12
186
164
16
75
12
186
164
16
75
12
220
190
16
80
15
220
190
16
80
15
220
190
16
80
15
270
240
18
85
15
270
240
18
85
15
270
240
18
85
15
308
278
18
90
15
308
278
18
90
15
308
278
18
90
15
340
310
18
95
15
340
310
18
95
15
340
310
18
95
15
406
366
20
100
18
406
366
20
100
18
406
366
20
100
18
406
366
20
100
18
406
366
20
100
18



DN
L
H1
P
T
114
620
95
93
357
114
620
95
93
357
114
620
95
93
357
150
760
115
105
460
150
886
115
105
585
150
1010
115
105
710
186
825
140
120
500
186
975
140
120
650
186
1125
140
120
800
219
960
200
170
565
219
1085
200
170
690
219
1235
200
170
840
245
1015
240
190
570
245
1165
240
190
720
245
1340
280
210
895
325
1100
280
210
590
325
1225
280
210
890
325
1400
280
210
890
325
1400
280
210
890
325
1400
280
210
890
法兰尺寸
椭圆法兰
圆形法兰
法兰连接
d1
D1
B1
D3
d3
25
90
64
65
11
25
90
64
65
11
25
90
64
65
11
32
100
72
75
11
32
100
72
75
11
32
100
72
75
11
40
118
85
90
14
40
118
85
90
14
40
118
85
90
14
50
160
/
125
18
50
160
/
125
18
50
160
/
125
18
65
180
/
145
18
65
180
/
145
18
65
180
/
145
18
80
195
/
160
8×Φ18
80
195
/
160
8×Φ18
80
195
/
160
8×Φ18
80
195
/
160
8×Φ18
80
195
/
160
8×Φ18
d2
D2
B2
D4
d4
20
80
45
55
11
20
80
45
55
11
20
80
45
55
11
25
90
64
65
11
25
90
64
65
11
25
90
64
65
11
32
100
72
75
11
32
100
72
75
11
32
100
72
75
11
40
145
/
110
18
40
145
/
110
18
40
145
/
110
18
50
160
/
125
18
50
160
/
125
18
50
160
/
125
18
65
180
/
145
18
65
180
/
145
18
65
180
/
145
18
65
180
/
145
18
65
180
/
145
18
重量
kg
30
33
36
47
51
54
60
70
76
110
119
130
145
161
176
215
231
250
260
270
2LQF6W型冷却器
2LQF6W 型冷却器外形图及尺寸
2LQF1W型冷却器
2LQF1W 型冷却器外形图及尺寸
2LQF1L型冷却器
2LQF1L 型冷却器外形图及尺寸
2LQGW型冷却器
2LQGW型冷却器外形图及尺寸
2LQG2W型(固定管板式)冷却器
2LQG2W型(固定管板式)冷却器外形图及尺寸
4LQF3W型冷却器
旧 型 号
新 形 号
换热面积m2
L
T
A
重量(kg)
4LQF3W-A315F
4LQF3W-A1.3F
1.3
490
205
≤105
49
4LQF3W-A400F
4LQF3W-A1.7F
1.7
575
290
≤190
53
4LQF3W-A500F
4LQF3W-A2.1F
2.1
675
390
≤290
59
4LQF3W-A630F
4LQF3W-A2.6F
2.6
805
520
≤420
66
4LQF3W-A800F
4LQF3W-A3.4F
3.4
975
690
≤590
75
4LQF3W-A1000F
4LQF3W-A4.2F
4.2
1175
890
≤790
86
4LQF3W-A1250F
4LQF3W-A5.3F
5.3
1425
1140
≤1040
99
2LQGW型冷却器
2LQF4W型冷却器外形图及尺寸